Slik skal du koble vår mottaker til garasjeportåpner av typen Stanley.
Vi har illustrert dette på 2 typer Stanley portåpnere, men følgende beskrivelse er gjeldende på de fleste modeller.
Bak på portåpneren finner du 3 tilkoblingspunkter (markert 1, 2 og 3) slik på bildet under.
TA UT STIKKONTAKT
1. Koble så den ene ledningen fra OUT1 på mottakeren til punkt 1 og 2.
(som vist på bildet under med orange ledning)
2. Koble deretter den andre ledningen fra PWRIN på mottakeren til punkt 1 og 3.
(som vist på bildet under med blå ledning)

4. Sett i stikkontakten og følg bruksanvisningen som fulgte med for å programmere fjernkontrollen.
Slik skal du koble vår mottaker til garasjeportåpner av typen Liftmaster 4410 / Chamberlain 420E.
Bak på portåpneren finner du 3 tilkoblingspunkter (markert 1 (RØD), 2 (HVIT) og 3 (SORT)) slik på bildet under.
Først ta ut stikkontaken.
1. Koble så den ene ledningen fra OUT1 på mottakeren til punkt 1 og 2.
(som vist på bildet under med orange ledning)
2. Koble deretter den andre ledningen fra PWRIN på mottakeren til punkt 2 og 3.
(som vist på bildet under med blå ledning)
4. Sett i stikkontakten og følg bruksanvisningen som fulgte med for å programmere fjernkontrollen.
Slik skal du koble vår mottaker til garasjeportåpner av typen Chamberlain Motorlift 700.
Chamberlain ML700 har 8 nummererte innganger.
Først ta ut stikkontakten.
1. Koble så den ene ledningen fra OUT1 på mottakeren til punkt 1 og 2.
(som vist på bildet under med orange ledning)
2. Koble deretter den andre ledningen fra PWRIN på mottakeren til punkt 1 og 4.
(som vist på bildet under med blå ledning)
4. Sett i stikkontakten og følg bruksanvisningen som fulgte med for å programmere fjernkontrollen.
Slik skal du koble vår mottaker til garasjeportåpner av typen Liftmaster 600/800/1000.
Liftmaster 600/800/1000 har 8 innganger. Fra venstre 1 – 8-.
Først ta ut stikkontakten.
1. Koble så den ene ledningen fra OUT1 på mottakeren til punkt 1 (første rød) og 3 (første hvit).
(som vist på bildet under med orange ledning)
2. Koble deretter den andre ledningen fra PWRIN på mottakeren til punkt 5 (tredje hvit) og 7 (første grå).
(som vist på bildet under med blå ledning)
4. Sett i stikkontakten og følg bruksanvisningen som fulgte med for å programmere fjernkontrollen.
(som vist på bildet under med blå ledning)
Slik skal du koble vår mottaker til garasjeportåpner av typen Bosch Profilift.
Denne har 6 ( 1 – 6 fra venstre) tilkoblingsmuligheter på høyre side av motoren og skal kobles til mottakeren som beskrevet under. (Ta ut stikkontakten før du begynner)
1. Koble to ledninger fra PWR IN på mottakeren til kontakt 4 og 6 på motoren.
(som vist på bildet under med blå ledning)
2. Koble to ledninger fra OUT 1 på mottakeren til kontakt 5 og 6 på motoren.
(som vist på bildet under med orange ledning)
4. Sett i stikkontakten og følg bruksanvisningen som fulgte med fjernkontrollen.
Slik skal du koble vår mottaker til garasjeportåpner av typen Bosch 500.
Fjern dekslet til portåpneren. Husk å ta ut stikkontakten før du begynner.
1. Koble to ledninger fra PWR IN på mottakeren til samme stedet som de to svarte ledningene går inn på kretskortet.
(som vist på bildet under med blå ledning)
2. Koble to ledninger fra OUT 1 på mottakeren til samme stedet som den innvendige veggbryteren er tilkoblet.
(som vist på bildet under med orange ledning)
4. Sett i stikkontakten og følg bruksanvisningen som fulgte med fjernkontrollen.
Slik skal du koble vår mottaker til garasjeportåpner av typen Gran-O-Matic BA1000.
1. Det første du må gjøre er å koble fra strømmen og løsne 4 skruer for å fjerne dekselet til portåpneren.
2. Ta så av dekselet.
3.Tilkoblingspunktene er markert med ring rundt på bildet under. Det er 7 tilkoblingspunkter, nummerert 1 til 7 fra venstre.
4. Koble først den ene ledningen fra PWRIN på mottakeren til punkt 1 og 6 på portåpneren.
(som vist på bildet under med blå ledning)
5. Koble så den andre ledningen fra OUT1 på mottakeren til tilkoblingspunktet 6 og 7 på portåpneren.
(som vist på bildet under med orange ledning)
6. Sett i stikkontakten og følg bruksanvisningen som fulgte med for å programmere fjernkontrollen.
Slik skal du koble vår mottaker til garasjeportåpner av typen Gran-O-Matic GTE 370.
1. Det første du må gjøre er å koble fra strømmen og fjerne dekselet foran på portåpneren så du får tilgang til kretskortet.
2. Koble først den ene ledningen fra PWRIN på mottakeren samme stedet som de to mørkebrune ledningene er tilkoblet.
(som vist på bildet under med blå ledning)
3. Koble så den andre ledningen fra OUT1 på mottakeren til de to tilkoblingspunktete som er vist på bildet.
(som vist på bildet under med orange ledning)
4. Sett i stikkontakten og følg bruksanvisningen som fulgte med for å programmere fjernkontrollen.
Slik skal du koble vår mottaker til eldre garasjeportåpner av typen Gran-O-Matic.
Du kan se 3 tilkoblingspunkter bak på portåpneren. Fra venstre 1 -3.
1. Det første du må gjøre er å koble fra strømmen.
2. Koble først den ene ledningen fra PWRIN på mottakeren til punkt 1 og 3.
(som vist på bildet under med blå ledning)
3. Koble så den andre ledningen fra OUT1 på mottakeren til 2 og 3.
(som vist på bildet under med orange ledning)
4. Sett i stikkontakten og følg bruksanvisningen som fulgte med for å programmere fjernkontrollen.
Slik skal du koble vår mottaker til garasjeportåpner av typen Genie Pro Stealth.
Bak på portåpneren finner du 6 tilkoblingspunkter. ( loddrett ) De er nummerert fra 1-6.
1. Koble så den ene ledningen fra OUT 1 på mottakeren til punkt 1 og 2.
(som vist på bildet under med orange ledning)
2. Koble deretter den andre ledningen fra PWRIN på mottakeren til punkt 3 og 4.
(som vist på bildet under med blå ledning)
3. Sett i stikkontakten og følg bruksanvisningen som fulgte med for å programmere fjernkontrollen.
Slik skal du koble vår mottaker til garasjeportåpner av typen Genie Pro 88.
1. Koble så den ene ledningen fra OUT1 på mottakeren til punkt 1 og 2.
(som vist på bildet under med orange ledning)
2. Koble deretter den andre ledningen fra PWRIN på mottakeren til punkt 1 og 3.
(som vist på bildet under med blå ledning)
3. Sett i stikkontakten og følg bruksanvisningen som fulgte med for å programmere fjernkontrollen.
Slik skal du koble vår mottaker til garasjeportåpner av typen Genie H90E.
Bak på portåpneren finner du tilkoblingspunkter. De er nummert fra 1-6 på samme måte som bildet under.
1. Koble så den ene ledningen fra OUT 1 på mottakeren til punkt 3 og 6.
(som vist på bildet under med orange ledning)
2. Koble deretter den andre ledningen fra PWRIN på mottakeren til punkt 3 og 5.
(som vist på bildet under med blå ledning)
Slik skal du koble vår mottaker til andre garasjeportåpnere av typen Genie.
Vi har illustrert dette på en portåpner av typen Stanley, men du finner akkurat de samme tilkoblingspunktene på Genie.
I fronten på portåpneren finner du 8 tilkoblingspunkter. (vannrett ) Det er de 3 første (markert 1, 2 og 3) som skal brukes.
1. Koble så den ene ledningen fra OUT1 på mottakeren til punkt 1 og 2.
(som vist på bildet under med orange ledning)
2. Koble deretter den andre ledningen fra PWRIN på mottakeren til punkt 1 og 3.
(som vist på bildet under med blå ledning)
3. Sett i stikkontakten og følg bruksanvisningen som fulgte med for å programmere fjernkontrollen.
Slik skal du koble vår mottaker til garasjeportåpner av typen Sunmatic Optimal.
Ved å fjerne lampedekselet foran på portåpneren får du tilgang til kretskortet.
1. Koble så den ene ledningen fra OUT 1 på mottakeren til angitt sted på kretskortet
(som vist på bildet under med orange ledning)
2. Koble deretter den andre ledningen fra PWRIN på mottakeren til angitt sted på kretskortet.
(som vist på bildet under med blå ledning)
3. Sett i stikkontakten og følg bruksanvisningen som fulgte med for å programmere fjernkontrollen.
Slik skal du koble vår mottaker til garasjeportåpner av typen Bernal.
Vi har brukt bildet til en Gran-O-Matic portåpner, men det er samme tilkoblingspunktene som du finner på Bernal.
Det første du må gjøre er å koble fra strømmen og fjerne dekselet foran på portåpneren så du får tilgang til kretskortet.
Du ser da 7 tilkoblingspunkter, nummerert 1 til 7 fra venstre.
1. Koble først den ene ledningen fra PWRIN på mottakeren til punkt 5 og 6 på portåpneren.
(som vist på bildet under med blå ledning)
2. Koble så den andre ledningen fra OUT1 på mottakeren til tilkoblingspunktet 6 og 7 på portåpneren.
(som vist på bildet under med orange ledning)
3. Sett inn stikkontakten og følg bruksanvisningen som fulgte med for å programmere fjernkontrollen.
Slik skal du koble vår mottaker til garasjeportåpner av typen Alltronik Speed 600S.
Det første du må gjøre er å koble fra strømmen og fjerne dekselet på portåpneren så du får tilgang til kretskortet.
Du ser da 6 tilkoblingspunkter, nummerert 1 til 6 nedenfra.
1. Koble først den ene ledningen fra PWRIN på mottakeren til punkt 5 og 6 på portåpneren.
(som vist på bildet under med blå ledning)
2. Koble så den andre ledningen fra OUT1 på mottakeren til tilkoblingspunktet 1 og 2 på portåpneren.
(som vist på bildet under med orange ledning)
3. Sett i stikkontakten og følg bruksanvisningen som fulgte med for å programmere fjernkontrollen.
Slik skal du koble vår mottaker til garasjeportåpner av typen Hörmann Ecostar / Ecomatic.
Det første du må gjøre er å koble fra strømmen og fjerne dekselet på portåpneren så du får tilgang til kretskortet.
Du ser da 5 tilkoblingspunkter, nummerert 1 til 5.
1. Koble først den ene ledningen fra PWRIN på mottakeren til punkt 1 og 3 på portåpneren.
(som vist på bildet under med blå ledning)
2. Koble så den andre ledningen fra OUT1 på mottakeren til tilkoblingspunktet 1 og 2 på portåpneren.
(som vist på bildet under med orange ledning)
3. Sett i stikkontakten og følg bruksanvisningen som fulgte med for å programmere fjernkontrollen.
Slik skal du koble vår mottaker til garasjeportåpner av typen Hörmann Ecostar C Plus.
Det første du må gjøre er å koble fra strømmen og fjerne dekselet på portåpneren så du får tilgang til kretskortet.
Du ser da 4 tilkoblingspunkter.
1. Koble først den ene ledningen fra PWRIN på mottakeren til punktet til høyrefor røde brytere.
(som vist på bildet under med blå ledning)
2. Koble så den andre ledningen fra OUT1 på mottakeren til venstre for røde brytere.
(som vist på bildet under med orange ledning)
3. Sett i stikkontakten og følg bruksanvisningen som fulgte med for å programmere fjernkontrollen.
Slik skal du koble vår mottaker til garasjeportåpner av typen Marantec Comfort 130 - 200.
Det første du må gjøre er å koble fra strømmen til portmotoren.
Bak på motor finner du 3 tilkoblingspunkter som vist på bildet.
1. Koble først den ene ledningen fra PWRIN på mottakeren til punkt 1 og 3 på portåpneren.
(som vist på bildet under med blå ledning)
2. Koble så den andre ledningen fra OUT1 på mottakeren til tilkoblingspunktet 1 og 2 på portåpneren.
(som vist på bildet under med orange ledning)
3. Sett i stikkontakten og følg bruksanvisningen som fulgte med for å programmere fjernkontrollen.
Slik skal du koble vår mottaker til garasjeportåpner av typen Liftboy.
Det første du må gjøre er å koble fra strømmen til portmotoren.
Bak på motor finner du 3 tilkoblingspunkter som vist på bildet. Disse tilkoblinspunktene er markert 1-3, fra ned og opp.
1. Koble først den ene ledningen fra PWRIN på mottakeren til punkt 1 og 3 på portåpneren.
(som vist på bildet under med blå ledning)
2. Koble så den andre ledningen fra OUT1 på mottakeren til tilkoblingspunktet 1 og 2 på portåpneren.
(som vist på bildet under med orange ledning)
3. Sett i stikkontakten og følg bruksanvisningen som fulgte med for å programmere fjernkontrollen.
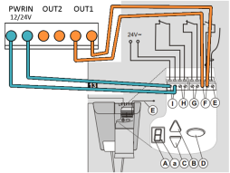
Slik skal du koble vår mottaker til garasjeportåpner av typen Tormatic.
Det første du må gjøre er å koble fra strømmen til portmotoren.
Bak på motor finner du tilkoblingspunkter som vist på bildet.
1. Koble først den ene ledningen fra PWRIN på mottakeren til punktet I på portåpneren.
(som vist på bildet under med blå ledning)
2. Koble så den andre ledningen fra OUT1 på mottakeren til tilkoblingspunktet F portåpneren.
(som vist på bildet under med orange ledning)
3. Sett i stikkontakten og følg bruksanvisningen som fulgte med for å programmere fjernkontrollen.
Slik skal du koble vår mottaker til garasjeportåpner av typen Einhell.
Det første du må gjøre er å koble fra strømmen til portmotoren.
Under dekslet finner du tilkoblingspunktene som vist på bildet.
Tilkoblingspunktene er markert A1 – A5, og B1 – B7.
1. Koble først den ene ledningen fra PWRIN på mottakeren til punktet A1 og A2 på kretskortet.
(som vist på bildet under med blå ledning)
2. Koble så den andre ledningen fra OUT1 på mottakeren til punktet B6 og B7 på kretskortet.
(som vist på bildet under med orange ledning)
3. Sett i stikkontakten og følg bruksanvisningen som fulgte med for å programmere fjernkontrollen.